Types of Solar Hot Water Systems
If someone were to heat a building, there would be dozens of options available. These range from baseboard convectors to forced air systems and on to radiant floor slabs. There is no single system type that is always the proper choice for every installation. Instead, the choice of system is dependent on the type of building, the climate it is located in, the size of the load, and budgetary constraints.
Solar systems are simply another type of heating system and there are several different solar thermal systems options. Each custom solar water heating system design has its benefits and drawbacks and it is up to the contractor to determine the suitability of each design to the site. Basic P&ID (piping & instrumentation diagrams) schematics are shown below for all the common commercial solar applications along with a brief description of the system and highlights of its capabilities and limitations.
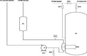
Direct Freeze Recirculation
The direct freeze recirculation is both the simplest and most efficient type of solar heating system. In this system, potable water is drawn directly from the storage tank and circulated through the array to be heated and returned to a recirculation port in the tank. The mechanicals for this type of system are almost identical to a boiler application except that the solar array is the heat source.
The major drawback to this type of system is it’s susceptibility to freeze damage. Although recirculation of fluid by the pump and thermal bleed valves provide a certain level of protection, these systems are typically limited to areas that do not freeze during an average year such as coastal regions of California and Florida.
| Advantages | Disadvantages |
|
|
Indirect Glycol (immersed heat exchanger)
Indirect glycol systems use food grade propylene glycol as the heat transfer fluid in the solar array to overcome issues of freezing (glycol can tolerate – 60F in high concentrations) and eliminate scaling. The glycol is separated from the potable water by means of a heat exchanger that transfers the energy from the array into the storage tank. In this particular design, the heat exchanger is a traditional tube bundle that fits into a ANSI flange in the bottom of the tank. By using an immersed tube bundle, this design is able to function with a single pump.
| Advantages | Disadvantages |
|
|
Indirect Loop Glycol (external heat exchanger)
Another type of indirect system is one with an external double pumped heat exchanger. In this design, a high efficiency brazed plate or tube-in-shell heat exchanger is mounted externally and plumbed between the recirculation ports on the tank. Although using an external heat exchanger mandates the use of a separate pump, the improvement in heat transfer more than offsets the extra mechanicals for larger arrays.
| Advantages | Disadvantages |
|
|
Drainback (external heat exchanger)
Like glycol systems, drainback systems are also a indirect design that use a heat exchanger to separate the collector loop from the potable water. Instead of relying on glycol for freeze protection, this system allows all of the water in the array to drain back from the array and into a storage tank in the solar loop when the pump is turned off. Because the array completely drains, water can be used in the solar loop, which avoids the need for double-wall heat exchangers demanded in some localities.
| Advantages | Disadvantages |
|
|
Drainback (immersed heat exchanger)
The immersed heat exchanger variant of the drainback design uses an immersed tube bundle to transfer the heat into the storage tank instead of the double pumped external heat exchanger. Like the immersed glycol design, the tube bundle eliminates the need for a second pump in the system.
| Advantages | Disadvantages |
|
|
Drainback (load-side heat exchanger)
The final variant of the drainback design uses an unpressurized storage tank coupled with a load-side heat exchanger. Whereas all the previous indirect designs used a storage tank filled with potable water, this design places the potable water in the heat exchanger and the solar loop fluid fills the tank.
One of the main advantages to placing the pressurized potable water in the heat exchanger is that the storage tank does not need to be a pressure vessel and can be fabricated from polyethylene, EPDM, or any other inert material that can withstand typical operating temperatures. The single drawback to these designs is that the heat exchanger must be sized to handle peak water draws, which are often much larger energy transfers than the near constant charging that traditional supply side heat exchangers carry.
| Advantages | Disadvantages |
|
|
